產品名稱:CH-LF1輪輻式測力傳感器
產品特點:CH-LF1輪輻式測力傳感器采用優質不銹鋼材質,具有高精度,高穩定性,低外形,安裝簡便、快速等特點。適用于試驗機,可做拉壓雙向使用。
量程:500kg,1t,2t,3t,5t,10t,20t,30t
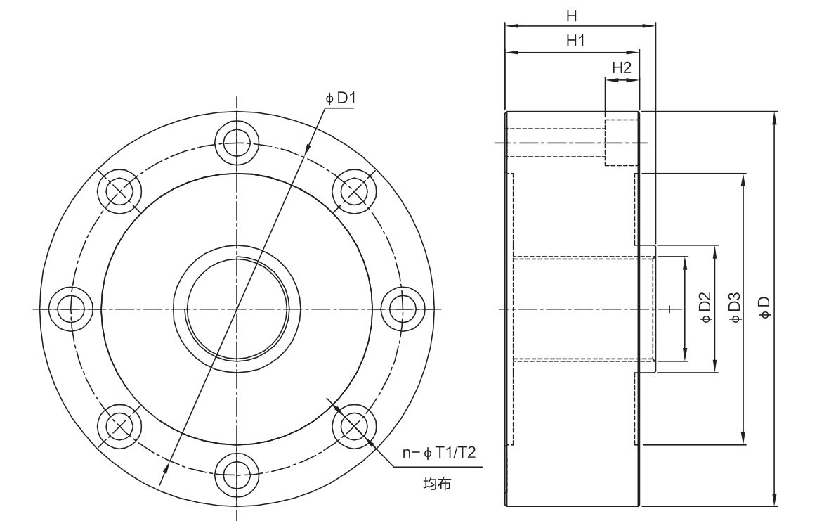
外形尺寸:
|
量程(kN) |
|
D |
D1 |
D2 |
75 |
H |
H1 |
T |
T1 |
T2 |
n |
H2 |
|
5-50 |
mm |
105 |
89 |
32 |
75 |
37 |
34 |
M16x1.5 |
7.5 |
10.5 |
8 |
7.2 |
|
100-250 |
mm |
120.6 |
101.8 |
39 |
83 |
48 |
41 |
M32x1.5 |
8.5 |
14 |
8 |
10.5 |
|
300 |
mm |
141 |
116.8 |
50.4 |
97 |
57 |
50.8 |
M40x1.5 |
11 |
18 |
8 |
11 |
技術參數:
|
技術參數 |
|
|
|
|
額定輸出 |
3.0mV/V±0.003 |
輸入阻抗 |
385±10Ω |
|
非線性 |
±0.05%F.S |
輸出阻抗 |
351±3Ω |
|
滯后性 |
<±0.05%F.S |
絕緣電阻 |
≥5000MΩ |
|
重復性 |
<±0.05%F.S |
允許激勵電壓 |
5~15V/DC |
|
蠕變 |
<±0.05%F.S/30min |
補償溫度范圍 |
-10℃~+40℃ |
|
零點溫度影響 |
<±0.03%/10℃ |
工作溫度范圍 |
-30℃~+70℃ |
|
輸出溫度影響 |
<±0.03%/10℃ |
安全過載 |
120%F.S |
|
零點平衡 |
<±1%F.S |
極限過載 |
150%F.S |
|
接線方式 |
激勵:+紅 -黑 信號:+綠 -白 屏蔽:黃粗 |
||






全國服務熱線






15621850939
2370849295@qq.com
2370849295
山東省濟南市市中區二環西路大廟屯工業園